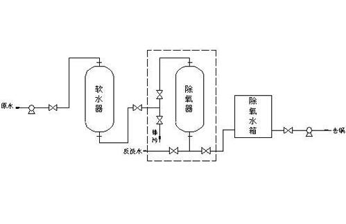
鍋爐用水為什么要用軟化水?

鍋爐用水為什么要軟化,相信大家也有所了解。舉個最簡單的例子,用熱水壺燒地下水,久而久之就會發現熱水壺內壁糊了一層厚厚的水垢。鍋爐和熱水壺類似,若鍋爐用水不軟化,也會出現這種現象。為了保證鍋爐的安全性和經濟性,鍋爐給水必須軟化,那何為軟化呢?

軟化就是降低水中的鈣離子、鎂離子的含量,減少水中的溶解氣體,使其水質達到相關水質標準要求,避免鍋爐內結垢。一旦結垢的鍋爐,輕則是影響鍋爐熱效率,重則設備報廢。


首先,若鍋爐給水不軟化導致鍋爐內結垢,又要保持鍋爐工作壓力和蒸發量,這樣只能增加入口側的溫度,長期下去,水垢越來越厚。熱效率越來越低。其次,鍋爐內結垢同時伴隨著對鍋爐的腐蝕、變形、泄露,不僅要耗費大量的人力財力,還會縮短運行壽命。
如果您對余熱鍋爐感興趣,請致電400-100-9636,我們將竭誠為您服務!

作為一名專業的客服人員,我希望能夠為您提供更好的咨詢和服務,
能夠解答您的問題是我的榮幸,使您滿意是我的動力,再次感謝您的來訪和咨詢。
![]()
![]()

專注節能環保20年,轉載請注明出處。
產品推薦
同類文章排行
- 為什么要進行余熱回收利用
- 余熱鍋爐啟動都需要干什么
- 什么是余熱回收裝置?
- SCR脫硝還原劑氨水和尿素溶液的優缺點有哪些?
- 如何預防余熱鍋爐水腐蝕?
- 鍋爐用水為什么要用軟化水?
- 在SCR脫硝中控制NOx的措施有哪些?
- SCR脫硝-影響NOx生成的主要因素有哪些?
- SCR脫硝是脫除氮氧化物,那氮氧化物的危害有哪些?
- 3分鐘了解煙氣脫白“脫”的是什么?













魯公網安備 37028102000404號