雙門板式煙氣三通閥-煙氣控制器

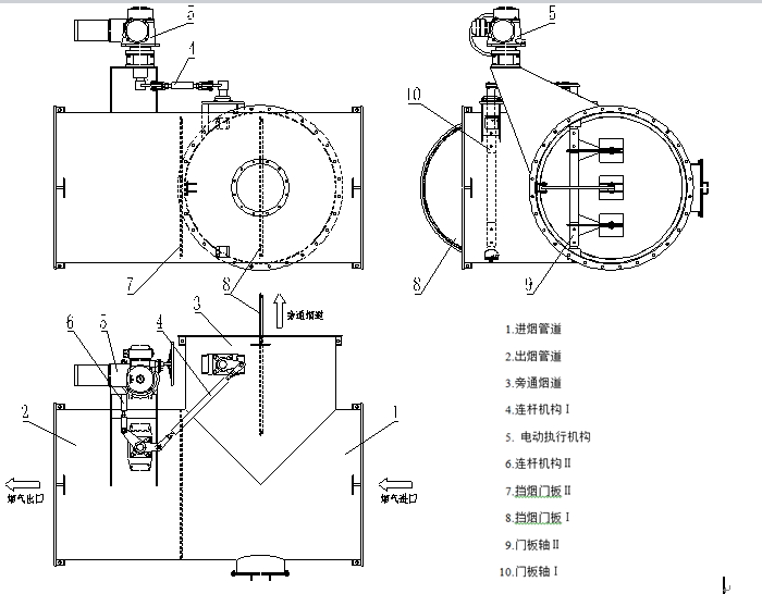
青島凱能環保科技股份有限公司設計生產的雙門板式煙氣三通閥,適用于較大煙道管徑中,它包括進煙管道、出煙管道和旁通煙道,在出煙管道的內腔和旁通煙道的內腔分別設有擋煙門板Ⅰ和擋煙門板Ⅱ,它們分別通過門板軸Ⅰ和門板軸Ⅱ連接連桿機構Ⅰ和連桿機構Ⅱ,連桿機構由電動執行機構控制,以實現煙氣在鍋爐煙道和旁通煙道之間的切換。
電動執行機構全開時連桿機構Ⅱ通過門板軸Ⅱ帶動擋煙門板Ⅱ打開出煙管道,同時連桿機構Ⅰ通過門板軸Ⅰ帶動擋煙門板Ⅰ關閉旁通煙道,此時高溫煙氣通過電動三通閥的進出煙道進入余熱鍋爐工作;電動執行機構全關時連桿機構Ⅰ通過門板軸Ⅰ帶動擋煙門板Ⅰ打開旁通煙道,同時連桿機構Ⅱ通過門板軸Ⅱ帶動擋煙門板Ⅱ關閉出煙管道,此時高溫煙氣通過旁通煙道,余熱鍋爐沒有高溫煙氣進入則不工作。
雙門板式煙氣三通閥具有牢固耐用、操作方便、機械電動相結合及密封性好等優點。
本三通閥設計規格采用標準系列:DN800~DN2600,接口采用法蘭形式(可根據用戶要求匹配),可根據不同使用溫度選用不同門板材料:碳鋼、15CrMo、SUS304等。
啟閉時間:15~45 s
輸出訊號:4~20mA
電源配置:380VAC 50HZ

如果您對余熱鍋爐設備感興趣,請致電凱能科技,我們將竭誠為您服務!

感謝您訪問凱能科技公司網站,希望我們的網站能夠為您帶去幫助。
同時歡迎您對我們的工作提出建議,我們會虛心的接受并改善。愿
![]()
![]()

相關資訊
產品推薦
同類文章排行
- 凱能科技余熱鍋爐:多行業節能升級的核心動力
- 鐵合金煙氣余熱回收利用:綠色轉型新引擎
- 工業硅礦熱爐余熱鍋爐:賦能工業硅生產的 “節能利器”
- 余熱鍋爐:賦能焦化行業綠色低碳發展的關鍵裝備
- 化工領域中余熱鍋爐回收工業廢熱的應用
- 煙氣余熱脫硝一體化:破解能耗與排放雙重難題
- 必看!鐵合金行業如何借煙氣余熱回收實現華麗轉身?
- 礦熱爐余熱鍋爐,行業應用的多面優勢
- 高效節能的能源回收利器,發電機組余熱鍋爐
- 發電機組余熱鍋爐:能源高效利用的關鍵設備













魯公網安備 37028102000404號